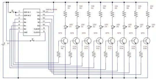
Building on this question, I've now got a shift register to play with, and I've been trying to work it manually with a couple of switches, like so:

I have resistors (2.2K) between the switches and VCC, even though that's not shown in the schematic. It doesn't work, though.
When I press the clock switch, sometimes an LED will light, and sometimes it won't. Sometimes several LEDs light. Never does it "shift" a zero "bit". If I just hit the input switch a bunch of times, it shifts in bits, sometimes one at a time, sometimes several at a time.
What gives? What have I done wrong here?