1

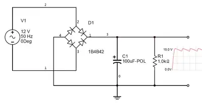
DC or (AC + DC) coming out of a full wave rectifier enter image description here

Is there a truly correct answer to this?

Considering the representation as a waveform I would say its an AC wave form offset by some DC amount.

Using the standard electronics notion I would say it is purely DC.

A quick Wikipedia such on Rectifier returns, "A rectifier is an electrical device that converts alternating current (AC), which periodically reverses direction, to direct current (DC), which flows in only one direction."

I know that they both can be true but, I am curious if any consensus exists for the green waveform below.

enter image description here

The question originated from can you feed a, "dc voltage with a bad ripple" into a dc to dc buck converter.... At first I assumed no using the notion that DC meant constant, but then thinking about the output of the buck is frequency driven I started to have second thoughts. Thanks, Josh

tman
  • 533
  • 5
  • 16

3 Answers3

4

What is DC, anyway? If we have a square pulse of 1V for 1ns, is that DC? What if it's for 1ms? 1s? 1 day? 1 year?

"It's only ever positive -- it doesn't alternate", I hear you thinking. OK, what if we have a square wave that alternates between +1V and -1V every 1 ms. Clearly this is AC, right? What if the edge transitions occur only every 100 years? Is it DC now? What if the device has only been on for 99 years and you don't know that it's going to change yet?

Point being, the notion of "DC" is arbitrary, and usually chosen to be something convenient for a particular circuit or situation. When voltage or current changes so slowly or so insignificantly that we can consider it as not changing it at all, it's DC.

For example, if we are discussing microwave circuits, then the 60 or 50Hz AC on your wall might as well be DC. The rate of change in that waveform is so slow compared to the reactive components in a microwave circuit that it might as well not be changing at all.

In other contexts we might define DC in terms of Fourier analysis. In this case, "DC" is the average value. However, the average value depends on the span of time we choose to consider in the analysis. For example, in the case of our +/- 1V alternating every 100 years, the average is 0V, but if we look at just one particular day, the average is likely to be 1V or -1V.

In the case of a power supply such as you have drawn, an engineer is likely to call that "DC". An engineer understands that a real power supply will necessarily have some ripple, so you don't have to say "this is a DC with some ripple" unless the ripple is unacceptable for your application. If the engineer wants to quantify the ripple (usually to keep it under some specified maximum), then it will be treated as an AC component, and the DC component will be calculated as an average taken oven a span of time sufficiently long to average out all the variations.

Phil Frost
  • 57,310
  • 18
  • 145
  • 267
  • The question originated from can you feed a, "dc voltage with a bad ripple" into a dc to dc buck converter.... At first I assumed no using the notion that DC meant constant, but then thinking about the output of the buck is frequency driven I started to have second thoughts. Thanks for the responce! – tman Jun 03 '14 at 03:53
2

A quick Wikipedia such on Rectifier returns, "A rectifier is an electrical device that converts alternating current (AC), which periodically reverses direction, to direct current (DC), which flows in only one direction."

See my answer here.

'The answer' is that it depends on what one means by DC.

I believe that it is safe to say that, for most, "DC" no longer stands for Direct Current which is defined as a current that does not alternate in direction as opposed to Alternating Current which does.

In most contexts, "DC" is a synonym for constant. For example, a (good) 5 VDC power supply produces a (more or less) constant 5V and not, for example, a varying but positive voltage.

So, you are correct. The output of a rectifier is DC in the sense that the current is unidirectional.

However, the output is not DC in the sense that the output voltage is not constant but, rather, varies with time (though, it is not alternating either).

Some would call this output "pulsating DC" while others would consider that a contradiction in terms.

What can be said, without equivocation, is that the output of the rectifier is non-alternating, i.e., the voltage and current do no alternate in polarity or direction.

One can also say, without equivocation, that the output can be decomposed into a constant (not time varying) component and one or more alternating components.

Alfred Centauri
  • 26,630
  • 1
  • 25
  • 63
  • The question originated from can you feed a, "dc voltage with a bad ripple" into a dc to dc buck converter.... At first I assumed no using the notion that DC meant constant, but then thinking about the output of the buck is frequency driven I started to have second thoughts. Thanks for the responce! – tman Jun 03 '14 at 03:53
0

The difference between AC and DC is determined by its average. An AC voltage supply has an average voltage equal to zero; a DC voltage supply has an average unequal to zero.

In real life, most DC sources have some AC disturbances, called 'ripple'. The larger the load (R1), the larger the ripple. Take R1 away, and you would see an almost perfect DC voltage.

EvertW
  • 521
  • 2
  • 7