
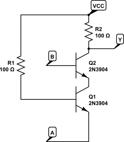
I know I can do this with two separate NAND gates, but it would be more space consuming. Is there a single standard logic gate (e.g.; 74V1Gxxx - SOT-23 package is preferred) which produces this result?
Or, can I get this result by using two transistors at most?


