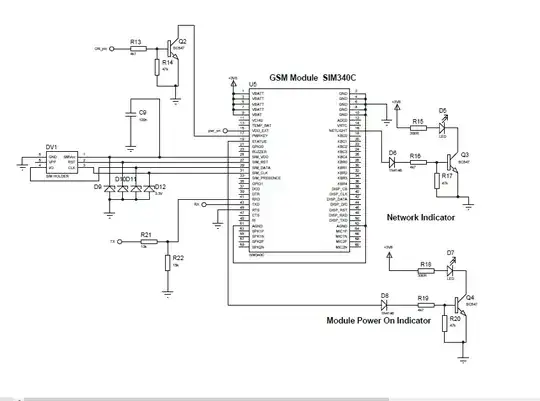
What is the function of the two resistors arranged in parallel with the transistor? Do they also limit the current to the transistor?

The full circuit is this:

What is the function of the two resistors arranged in parallel with the transistor? Do they also limit the current to the transistor?

The full circuit is this:

Given that R19 is so much smaller than R20 I'd say the main purpose of R19 is to limit the current into the base of the transistor. This of course needs to be done in all grounded-emitter configurations.
The forward volt-drop of B-E is about 0.7V and it's quite easy to destroy a BJT without this current limiter.
R20 is less obvious - some engineers will put a resistor here because they may feel it is needed but in a lot of cases it isn't. The argument for its inclusion is debatable. If the application of the circuit were better known it might be possible to explain this resistor a bit better.
R20 can have two purposes. Without analysis of the full circuit and its purpose I can't say whether either is applicable here.
R19 is picked to set the base current of the transistor when the output of the SIM340C is "high".
The design equation would be: R19 = \$V_{OUT} - V_{BE} - V_{F} \over I_B + (V_{BE}/R20)\$ Where \$V_F\$ is the forward voltage of the 1N4148 at the design output current and \$V_{BE}\$ is the base-emitter voltage of the transistor at the design base current, \$V_{OUT}\$ is the STATUS output voltage when supplying the design output current, and \$I_B\$ is the design base current.
You would normally pick the base current to ensure saturation of the transistor under worst case conditions. A "forced beta" (ratio of collector current to base current) of 20:1 might be reasonable. So if the collector current is 4mA, you might want the base current to be a couple hundred uA. In the case of the recommended circuit, it is around 200uA.
R20 is picked to pull the base low and reduce leakage through the transistor when the LED is 'off'. It's not critical, but making it around an order of magnitude bigger than R19 or more means that most of the current gets to the base when the transistor is "on" (and that current is much smaller again than the LED current, so little is wasted). It also makes the transistor switch 'off' faster, as Wouter points out, but that's not that important for a visual indicator LED.
D8 appears to be there because the designer did not understand the reason for the diode in reference designs that drive a beeper. It's not required. The recommended circuit for the status indicator from the reference manual is shown below: