Introduction

The Turbine is integral to the Ventilator's function. A possible cause of failure during the delivered volume test is the turbine assembly itself. In this case the Turbine assembly must be removed, and either replaced with P/N 16349 or sent to manufacturer for Re-Characterization. This guide will walk through the necessary steps to remove the turbine assembly.

  1. gdk4fthOhAGOgmLD
    • Use a screwdriver to remove the two Phillips pan-head screws at the top of the plug guard.

    • Remove the plug guard and unplug the ventilator.

  2. QmIwYhDyAWHPcZga
    • Remove the four Phillips #0 screws on the back side of the ventilator.

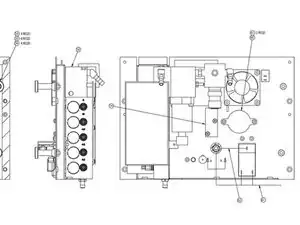
  3. ZWnwpOxGJTYSHZOC
    • Remove all six small side panel screws along the bottom of each side of the top cover with the same screwdriver.

    • Slide the top cover towards the back side of the ventilator to remove it.

  4. YmP3TXlvcOioTPBm
    • Use your Phillips screwdriver to unscrew the 4 Phillips pan head screws positioned on each side of the battery tray.

    • Lift the battery tray out of the ventilator.

    • Caution: The wires connecting the batteries to the ventilator will still be connected so lift the battery tray carefully.

  5. 5icJmb1ohxsY5AQP
    • Disconnect the batteries from the ventilator by pulling apart the Battery Connector.

    • Remove the two Phillips countersink at the rear of the panel.

    • Remove the Phillips countersink in the upper front of the panel.

    • The panel is now free and can be lifted from the device.

    • To install the left panel follow these steps in reverse order.

  6. Bgf6TUACKKByvWxZ
    • If the rear panel is installed, remove the high and low pressure oxygen fittings from the rear panel using your 3/4" wrench. NOTE: the high pressure fitting is located above the low pressure fitting

    • If the rear panel is installed, disconnect the 40-pin ribbon cable from the SVGA out PCB.

  7. XreOXUNm4fdCd1EQ
    • If the front panel is installed, disconnect the green oxygen nebulizer tube.

    • Disconnect the:

    • -J301, 12-Pin Connector to J301 on the main PCB

    • From the blender PCB

  8. l5StaoFEu6YNLhkI
    • Remove the bottom strip ambient air inlet filter by pinching and pulling it out.

  9. VO6CbQ2CqBtB3MqT
    • Remove the three Phillips pan-head screws on the right side of the rear panel.

  10. L1xDB4eq4uWdVMOG
    • The assembly should now be free to remove. As you remove the unit use your needle-nose pliers to disconnect the oxygen diffuser tube as you remove the blender assembly.

  11. 5laGUacTYItbw4Uk
    5laGUacTYItbw4Uk
    Uu1PvKpbI1AQiiRN
    • If the exhalation valve assembly is installed, disconnect:

    • J3 [2-pin (blue connection)]

    • To the oxygen inlet solenoid on the blender assembly.

    • J4 [2-pin (red connection)]

    • To the Nebulizer solenoid assembly on upper rear of blender.

    • For Instillation follow steps in reverse order.

    • Disconnect the main wire harness connector at P2 on the Turbine Driver PCBA

  12. RNBuhKXYNYFEaClq
    • Remove the 5 Phillips pan-head mounting screws.

    • Disconnect the gray silicone intake and output elbows by gently pulling them out from the muffler tubes.

    • The Turbine/Muffler Assembly should now be free to lift off the manifold base.

    • Gently pull up on the elbows to remove

    • To Install P/N 16350 "Turbine/Muffler Assembly" repeat the steps in reverse order.

Conclusion

To reassemble your device, follow these instructions in reverse order.

Tanner Hillman

Member since: 10/04/20

370 Reputation

0 comments