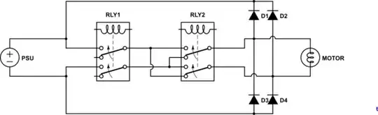
I've got a circuit with two DPDT relays controlling a motor - the diagram below is borrowed from a related but different question. RLY1 turns everything on and off, RLY2 switches the direction of the motor.
I've found that after a brief amount of use the relays are damaged. Both relays have the same problem - on one set of contacts common/NO/NC are all connected, even when the relay coil is unpowered. (The other set of contacts is as expected - ie. common/NC are connected, NO is connected to neither of the other two - so only "half" of each relay is currently damaged).
Questions: what is likely to have caused NO/NC terminals to be connected, and how should I have avoided that problem?
Gory Details (possibly not needed):
- motor runs on 30V
- PSU that came with the motor is rated 30V/2A
- relays are rated for 2A/30VDC (model Meishuo MCB-S-205-C-M)
- relay is controlled from an ATMega MCU
- relays both have an IN4001 protection diode across the relay coil - not shown in diagram
I did manage to "fix" one relay by tapping it on the table. Unknown if that will stay fixed or if permanent damage is done. The other relay doesn't respond to this treatment.



